- Help Center
- Cyclovac - North America
- Special edition
-
Cyclovac - North America
-
Mvac - North America
-
Beam - North America
-
Duovac - North America
-
Cana-Vac - North America
-
SuperVac - North America
-
Rhino Vac - North America
-
Hayden - North America
-
HD Commercial Line
-
Retraflex & Retractable system
-
AirStream - North America
-
CycloUV - Air Purifier UVC
-
Bags, Filters & UV Lamp
-
Autorized Dealer Section
-
Motors and Electric Component
-
Replacement parts
-
Serial Number
-
Various parts - TTP
-
Web Support
-
Other brands of canister vacuums
-
Carbon brushes
-
other products
Nitro Cyclovac Costco exclusive
ACYABS65A (VNI65A2 VNI65E2)
Table of content
Click to see Motor & Electric component

Motor & Electric component
Technical file for motor Ametek 122264 (FM22640001)
Carbon brush(TMCARB15)
Motor gasket (GASCUT20R)
Relay-transformer 120V (ELEREL10)
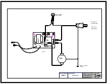
Relay-transformer connection diagram(ELEREL10)
Circuit breaker 15A(ELERES15)
Bags & Filters
Warranty
Electrical parts warranty : 10 years
Labor warranty : 3 years






